Перейти к содержимому
P Pnevmo.kz
Корзина

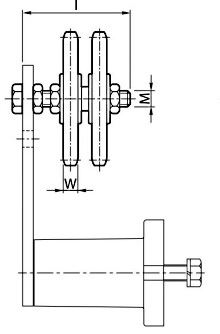
Звездочка натяжителя для двухрядной цепи ZK 60-6D,1

Артикул: 782227230
114 380 ₸
Цена может уточняться у менеджера
в наличие
Срок доставки: 1 - 7 дней

Описание

*

Характеристики

Артикул
782227230
Вес
3,6 кг
Внутренний стандарт
IDO28456
Диаметр
147,8 мм
Диапазон температуры
до 100°С
Для цепи
20B2
Количество зубьев
13
Материал корпуса
Сталь
Модуль зацепления
132,65 мм
Наименование
Звездочка
Присоединение комплектующих
M20
Производитель
Sati
Размер
60 мм
Родина бренда
Италия
Тип
ZK 60-6D
Тип цепи
Двухрядная
Толщина втулки
15 мм
Толщина звездочки
18,5 мм
Толщина с монтажом
140 мм

Похожие товары

Смотреть все →