VIP/S/MC/BASE 17-24/L/C/EX
Артикул:
2907209
206 523 ₸
Цена может уточняться у менеджера
в наличие
Срок доставки: 1 - 7 дней
Описание
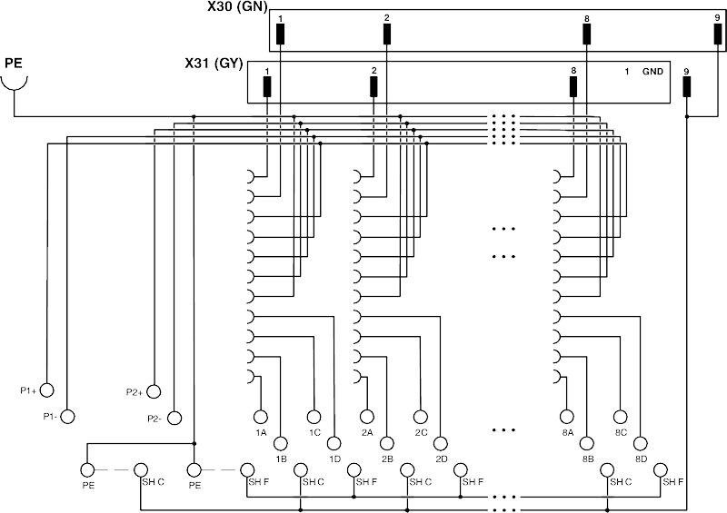
Цокольный модуль VIP с принадлежностями ввода/вывода (IOA) обеспечивает универсальное конфигурирование каналов. Этот модуль имеет маркировки для каналов 17–24, а также конформное покрытие оснащения печатных плат.
Характеристики
ATEX
Sira 16ATEX4260X; Ex II 3GEx nA ic IIC T4 Gc; Ex nA IIC T4 Gc
China RoHS
Период времени для применения по назначению (EFUP): 50 лет
ECl@ss 4.0
27250313
ECl@ss 4.1
27250313
ECl@ss 5.0
27250313
ECl@ss 5.1
27250313
ECl@ss 7.0
27141152
ECl@ss 8.0
27141152
ECl@ss 9.0
27141152
ETIM 4.0
EC002780
ETIM 5.0
EC002780
ETIM 6.0
EC002780
ETIM 7.0
EC002780
FM
Class I, Zone 2, AEx nA ic IIC T4 Gc; AEx nA IIC T4 GcNonincendive: Class I, Div. 2, Groups A, B, C, D T4With connection to Class I, II, and III, Div. 2, Groups A, B, C, D, E, F, G
IECEx
IECEx SIR 16.0088XEx nA ic IIC T4 Gc; Ex nA IIC T4 Gc
REACh SVHC
Lead 7439-92-1
UNSPSC 13.2
39121432
UNSPSC 18.0
39121432
UNSPSC 19.0
39121432
UNSPSC 20.0
39121432
UNSPSC 21.0
39121432
Входное напряжение Ui
30 В (на канал)
Входной ток Ii
1 A (на канал)
Высота
102, 7 мм
Глубина
72, 2 мм
Длина снятия изоляции
8 мм
Допустимая отн. влажность воздуха (при эксплуатации)
0 % ... 95 % (без выпадения конденсата)
Емкость Ci
0 мкФ
Индикатор состояния
Нет
Индуктивность Li
0 мГн
Количество точек подключения
2
Макс. допустимое значение суммарного тока
15 A (на каждый модуль)
Макс. допустимый ток
15 A ()
Макс. допустимый ток (на ответвление)
3 A (Полевой сигнал)
Момент затяжки
0, 5 Нм ... 0, 6 Нм
Монтажное положение
любое, на 35-миллиметровой монтажной рейке согласно EN 60715
Наименование, подключение
Уровень полевых устройств
Подключение согласно стандарту
МЭК / EN
Полюсов
9
Рабочее напряжение максимальное
30 В DC (Клеммы P2 и полевые клеммы)
Рабочее напряжение, максимальное Umax
30 В DC (Клеммы P2 и полевые клеммы)
Резьба винтов
M 3
Сечение гибкого провода
0, 2 мм² ... 2, 5 мм²
Сечение жесткого провода
0, 2 мм² ... 4 мм²
Сечение проводника AWG
24 ... 12
Соответствие нормам
ANSI/ISA 60079-0; 60079-11; 60079-15
Стандарты / нормативные документы
МЭК 60664
Степень защиты
IP20
Температура окружающей среды (при эксплуатации)
-40 °C ... 75 °C
Температура окружающей среды (хранение/транспорт)
-40 °C ... 75 °C
Тип подключения
Винтовые зажимы
Управление
универсальный
Ширина
118, 1 мм
Похожие товары
Смотреть все →
EMG 90-DIO 32M
2954934
148 927 ₸
EMG 90-DIO 32P
2954918
140 493 ₸
EMG 90-DIO 17E
2954895
117 431 ₸
EMG 45-DIO 8M-1N5408
2954882
52 829 ₸
EMG 45-DIO 8P-1N5408
2954879
56 003 ₸
EMG 90-DIO 16E/LP
2954808
120 270 ₸
EMG 45-DIO 8E/LP
2954798
56 921 ₸
EMG 90-DIO 32M/LP
2954785
130 456 ₸