SCK-M-I-8S-20A
Артикул:
2903241
488 126 ₸
Цена может уточняться у менеджера
в наличие
Срок доставки: 1 - 7 дней
Описание
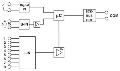
Измерительный модуль SCK для контроля процессов на фотогальванических установках, 8 модулей измерения тока до 20 A, 1 цифровой вход, интерфейс для коммуникационного модуля SCK, интерфейс для подключения модуля измерения напряжения
Характеристики
China RoHS
Период времени для применения по назначению (EFUP): 50 лет
ECl@ss 4.0
27210900
ECl@ss 4.1
27210900
ECl@ss 5.0
27210900
ECl@ss 5.1
27210900
ECl@ss 6.0
27210100
ECl@ss 7.0
27210123
ECl@ss 8.0
27210123
ECl@ss 9.0
27210123
ETIM 3.0
EC002475
ETIM 4.0
EC002475
ETIM 5.0
EC002475
ETIM 6.0
EC002475
ETIM 7.0
EC002475
REACh SVHC
Lead 7439-92-1
UL, США
1741 Recognized
UL, США / Канада
508 Listed
UNSPSC 11
39121008
UNSPSC 12.01
39121008
UNSPSC 13.2
39121032
UNSPSC 18.0
39121032
UNSPSC 19.0
39121032
UNSPSC 20.0
39121032
UNSPSC 21.0
39121032
UNSPSC 6.01
30211506
UNSPSC 7.0901
39121008
Вход
Вход для измерения сигнала тока
Высота
102 мм
Глубина
128, 5 мм
Диапазон входных токов
0 A DC ... 20 A (UL: 0 A DC...25 A DC)
Допустимая отн. влажность воздуха (при эксплуатации)
≤ 95 % (без выпадения конденсата)
Излучение помех
EN 61000-6-4
Количество входов
8
Макс. рабочая высота
≤ 2000 м
Момент затяжки
0, 5 Нм ... 0, 6 Нм
Нагрузочная способность по максимальному току
5 x IN
Наименование, выход
Без выходного переключающего контакта
Номинальное напряжение питания
через SCK-C-MODBUS
Ограничение износа
ЭМС: продукт класса А, см. декларацию производителя в разделе загрузок
Подключение согласно стандарту
UL
Помехоустойчивость
EN 61000-6-2 В случае электромагнитных помех возможны незначительные отклонения.
Сечение гибкого провода
0, 2 мм² ... 2, 5 мм²
Сечение жесткого провода
0, 2 мм² ... 2, 5 мм²
Сечение проводника AWG
24 ... 12
Собственное потребление тока
43 мА (стандартный (типовой))
Соответствие нормам
Соответствие CE
Стандарты / нормативные документы
EN 61010-1
Степень загрязнения
2
Степень защиты
IP20
Температура окружающей среды (при эксплуатации)
-20 °C ... 70 °C
Температура окружающей среды (хранение/транспорт)
-40 °C ... 85 °C
Тип подключения
Проходная муфта, диаметр 9, 5 мм
Ширина
22, 5 мм
Электромагнитная совместимость
Соответствуют директиве ЕС по ЭМС 2004/108/EG и директиве по низкому напряжению 2006/95/EG
Похожие товары
Смотреть все →
EMG 90-DIO 32M
2954934
148 927 ₸
EMG 90-DIO 32P
2954918
140 493 ₸
EMG 90-DIO 17E
2954895
117 431 ₸
EMG 45-DIO 8M-1N5408
2954882
52 829 ₸
EMG 45-DIO 8P-1N5408
2954879
56 003 ₸
EMG 90-DIO 16E/LP
2954808
120 270 ₸
EMG 45-DIO 8E/LP
2954798
56 921 ₸
EMG 90-DIO 32M/LP
2954785
130 456 ₸