Перейти к содержимому
P Pnevmo.kz
Корзина

Шкив зубчатый под расточку Sati 120H300 (PHP 120H300RSB)

Артикул: 782217177
227 311 ₸
Цена может уточняться у менеджера
в наличие
Срок доставки: 1 - 7 дней

Описание

*

Характеристики

Артикул
782217177
Вес
33 кг
Внутренний стандарт
IDO28456
Диаметр ступицы
120 мм
Количество зубьев
120
Материал корпуса
Чугун
Наименование
Шкив зубчатый
Наружный диаметр шкива
485,1 мм
Посадка на вал
Под расточку
Производитель
Sati
Родина бренда
Италия
Серия товара
H-300
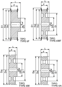
Тип исполнения
6A
Тип шкива
H300
Ширина рабочей части шкива
85,7 мм
Ширина ступицы
100 мм
Ширина шкива
100 мм

Похожие товары

Смотреть все →