PSR-MC31-2SDO-1DO-24DC-SC
Артикул:
1015520
231 188 ₸
Цена может уточняться у менеджера
в наличие
Срок доставки: 1 - 7 дней
Описание
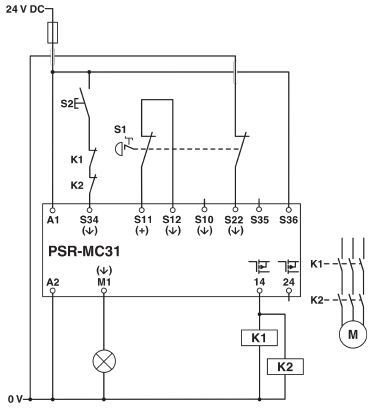
Реле безопасности для контактных ковриков, монтажных планок, аварийных выключателей, защитных дверей, световых завес до SILCL 3, кат. 4, PL e, 1-/2-канальный режим работы, автоматический или ручной пуск, 2 безопасных HL-выхода, 1 сигнальный выход, US = 24 В DC, вставная винтовая клемма
Характеристики
China RoHS
Период времени для применения по назначению (EFUP): 50 лет
ECl@ss 8.0
27371819
ECl@ss 9.0
27371819
ETIM 5.0
EC001449
ETIM 6.0
EC001449
ETIM 7.0
EC001449
REACh SVHC
Lead 7439-92-1
Активная нагрузка
мин. 12 Ω
Вес нетто
108, 657 г
Вибрация (при эксплуатации)
10 Гц ... 150 Гц, 5г
Время возврата в состояние готовности
250 мс (по запросу функции безопасности)
Время фильтрации
1 мс (Для логики. К A1 при резком падении напряжения при Us )
Вставной
да
Высота
112, 2 мм
Выходное напряжение
≥ 23 В DC (Us - 1 B)
Выходной ток
макс. 2, 4 A
Глубина
114, 5 мм
Диапазон входного тока cигнал "0"
0 мА ... 2 мА (S10, S12)
Диапазон входных напряжений, сигнал "0"
0 В DC ... 5 В DC (S10, S12)
Диапазон входных напряжений, сигнал "1"
11 В DC ... 30 В DC (S10, S12)
Длина кабеля
100 м
Длина снятия изоляции
7 мм
Защита от короткого замыкания
да
Защитная схема
Параллельная защита от перепутывания полярности Cтабилитроны Внешняя защита, см. указания по технике безопасности. Тип предохранителя: 5 А FF
Защитная цепь / модуль
Cтабилитроны
Индикатор состояния
3 x LED зел.
Индикация ошибок
1 x красный СИД
Индикация рабочего напряжения
1 x СИД зеленый.
Категория
4
Категория перенапряжения
III
Количество входов
3
Количество выходов
2
Макс. допустимая влажность воздуха (хранение/транспортировка)
75 % (В среднем, 85 % кратковременно, без выпадения конденсата)
Макс. допустимая отн. влажность воздуха (при эксплуатации)
75 % (В среднем, 85 % кратковременно, без выпадения конденсата)
Макс. допустимое сопротивление кабельной системы
150 Ω
Макс. емкостная нагрузка
макс. 10 мкФ (Нагрузка 2, 4 А)
Максимальный пусковой ток
500 мА (Δt = 1 мс при Us)
Макс. индуктивная нагрузка
макс. 1 Гн или ч
Материал корпуса
PBT
Мин. степень защиты на месте установки
IP54
Момент затяжки
0, 5 Нм ... 0, 6 Нм
Монтажное положение
вертикальное или горизонтальное
Наименование
A1/A2
Наименование, вход
Цепь датчика
Наименование, выход
14, 24
Наименование защиты
Включение свободного хода для индуктивных нагрузок
Напряжение
около 22 В DC (Us - 2 В)
Номинальный ток питания цепи управления IS
тип. 54 мА (без нагрузки)
Нормальный режим работы
100 % ED
Ограничение износа
ЭМС: продукт класса А, см. декларацию производителя в разделе загрузок
Ограничение индуктивного запирающего напряжения
макс. 50 В
Ограничение претензий касательно класса безопасности (SIL CL)
3
Описание входа
входы датчиков с функцией безопасности
Описание выходов
цифровые выходы с функциями безопасности
Потребляемая мощность на US
тип. 1, 3 Вт
Потребляемый ток
4 мА (S10, S12)
Пусковой ток
s)
Рабочая высота
≤ 2000 м (через NN)
Расчетное импульсное напряжение / изоляция
Базовая изоляция 4 кВ между всеми токовыми цепями и корпусами
Расчетное напряжение изоляции
50 В
Расчетное напряжение питания цепи управления US
24 В DC -20 % / +25 % (внешний предохранитель)
Резьба винтов
M3
Сечение гибкого проводника макс.
2, 5 мм²
Сечение гибкого проводника мин.
0, 2 мм²
Сечение жесткого проводника макс.
2, 5 мм²
Сечение жесткого проводника мин.
0, 2 мм²
Сечение провода AWG макс.
12
Сечение провода AWG мин.
24
Синхронность, вход 1/2
∞
Соответствие нормам
Соответствие CE
Стандарты / нормативные документы
DIN EN 50178, EN 60947-5-1
Степень загрязнения
2
Степень защиты
IP20
Температура окружающей среды (при эксплуатации)
-40 °C ... 70 °C (Cоблюдайте кривые)
Температура окружающей среды (хранение/транспорт)
-40 °C ... 70 °C
Тип. время притяжения при US
s)
Тип монтажа
Установка на монтажной рейке
Тип подключения
Винтовые зажимы
Ток
макс. 100 мА
Ток нагрузки, минимальный
2 мА
Ток утечки
макс. 1 мА (в безопасном состоянии)
Ударопрочность
30г
Указания по монтажу
см. график зависимости от темп.
Уровень эффективности (PL)
e
Уровни совокупной безопасности (SIL)
3
Цвет корпуса
желтый
Частота коммутации
1 Гц (омические, индуктивные, ёмкостные)
Ширина
12, 5 мм
Похожие товары
Смотреть все →
EMG 90-DIO 32M
2954934
148 927 ₸
EMG 90-DIO 32P
2954918
140 493 ₸
EMG 90-DIO 17E
2954895
117 431 ₸
EMG 45-DIO 8M-1N5408
2954882
52 829 ₸
EMG 45-DIO 8P-1N5408
2954879
56 003 ₸
EMG 90-DIO 16E/LP
2954808
120 270 ₸
EMG 45-DIO 8E/LP
2954798
56 921 ₸
EMG 90-DIO 32M/LP
2954785
130 456 ₸