MINI MCR-2-UNI-UI-2UI
Артикул:
2905026
281 634 ₸
Цена может уточняться у менеджера
в наличие
Срок доставки: 1 - 7 дней
Описание
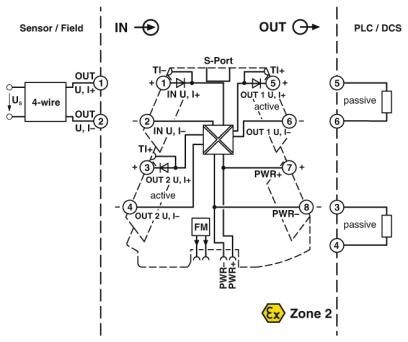
Универсально настраиваемый разделитель сигналов на 4 цепи, со штекерными разъемами для гальванической развязки и разветвления аналоговых сигналов. Настраивается DIP-переключателями или с помощью ПО. Винтовые зажимы, стандартная конфигурация.
Характеристики
ATEX
II 3 G Ex nA IIC T4 Gc X
China RoHS
Период времени для применения по назначению (EFUP): 50 лет
DNV GL-EMC
A
ECl@ss 4.0
27210100
ECl@ss 4.1
27210100
ECl@ss 5.0
27210100
ECl@ss 5.1
27210100
ECl@ss 6.0
27210100
ECl@ss 7.0
27210120
ECl@ss 8.0
27210120
ECl@ss 9.0
27210120
ETIM 4.0
EC002653
ETIM 5.0
EC002653
ETIM 6.0
EC002653
ETIM 7.0
EC002653
REACh SVHC
Lead 7439-92-1
UL, США / Канада
UL 508 Listed
UNSPSC 11
39121008
UNSPSC 12.01
39121008
UNSPSC 13.2
39121008
UNSPSC 18.0
39121008
UNSPSC 19.0
39121008
UNSPSC 20.0
39121008
UNSPSC 21.0
39121008
UNSPSC 6.01
30211506
UNSPSC 7.0901
39121008
Вибрация DNV GL
A
Влажность DNV GL
B
Входное сопротивление, вход напряжения
> 120 кΩ
Входное сопротивление, вход тока
около 50 Ω (+ 0, 7 В для проверочного диода)
Входной сигнал напряжения
0 В ... 10 В (настраивается DIP-переключателем)
Входной сигнал тока
0 мА ... 20 мА (настраивается DIP-переключателем)
Высота
109, 81 мм
Выходной сигнал, напряжение
0 В ... 10 В (настраивается DIP-переключателем)
Выходной сигнал, ток
0 мА ... 20 мА (настраивается DIP-переключателем)
Гальваническая развязка
Усиленная изоляция согласно МЭК 61010-1
Глубина
119, 2 мм
Диапазон напряжения питания
9, 6 В DC ... 30 В DC (Для шунтирования питания может использоваться устанавливаемый на монтажную рейку шинный соединитель (ME 6, 2 TBUS-2 1, 5/5-ST-3, 81 GN, артикул № 2869728), закрепляемый с помощью защелок на монтажной рейке 35 мм согласно EN 60715)
Длина снятия изоляции
10 мм
Допустимая отн. влажность воздуха (при эксплуатации)
5 % ... 95 % (без выпадения конденсата)
Излучение помех
EN 61000-6-4
Испытательное напряжение, вход / выход / питание
3 кВ (50 Гц, 1 мин)
Категория перенапряжения
II
Количество входов
1
Количество выходов
2
Количество каналов
2
Конфигурируемый / программируемый
есть
Макс. входное напряжение
12 В
Макс. входной ток
24 мА
Макс. выходное напряжение
около 12, 3 В
Макс. выходной ток
24, 6 мА
Материал корпуса
PBT
Момент затяжки
0, 5 Нм ... 0, 6 Нм
Монтажное положение
на выбор
Нагрузка / выходная нагрузка, выход напряжения
≥ 10 кΩ
Нагрузка / выходная нагрузка, выход тока
≤ 600 Ω (на канал)
Наименование
Электромагнитное высокочастотное поле
Номинальное напряжение питания
24 В DC
Оболочка DNV GL
Required protection according to the Rules shall be provided upon installation on board
Ограничение износа
ЭМС: продукт класса А, см. декларацию производителя в разделе загрузок
Ошибка передачи, макс.
0, 05 % (от предела)
Помехоустойчивость
EN 61000-6-2 В случае электромагнитных помех возможны незначительные отклонения.
Потребляемая мощность
1, 5 Вт (при IOUT = 20 мА, 9, 6 В DC, 600 Ω нагрузка)
Потребляемый ток, типовой
55 мА (24 В DC)
Противопожарная защита рельсовых ТС (DIN EN 45545-2) R22
HL 1 - HL 2
Противопожарная защита рельсовых ТС (DIN EN 45545-2) R23
HL 1 - HL 2
Противопожарная защита рельсовых ТС (DIN EN 45545-2) R24
HL 1 - HL 2
Пульсации
(ДА) (при 600 Ом)
Расчетное напряжение изоляции
300 В
Резьба винтов
M3
Сечение гибкого провода
0, 14 мм² ... 2, 5 мм²
Сечение жесткого провода
0, 2 мм² ... 1, 5 мм² (с кабельным наконечником)
Сечение проводника AWG
24 ... 12 (гибкий)
Соответствие нормам
Соответствие CE
Стандарты / нормативные документы
EN 61000-4-3
Степень загрязнения
2
Степень защиты
IP20 (не проверено согласно UL)
Ступенчатая характеристика (10-90%)
около 140 мс (Частота выборки 15 Гц)
Температура DNV GL
B
Температура окружающей среды (при эксплуатации)
-40 °C ... 70 °C
Температура окружающей среды (хранение/транспорт)
-40 °C ... 85 °C
Температурный коэффициент, максимальный
0, 01 %/K
Типичное отклонение от конечного значения измерительного диапазона
0, 2 %
Тип подключения
Винтовые зажимы
Ток короткого замыкания
≤ 25 мА
Указания по монтажу
Для подключения питания может использоваться Т-образный соединитель, закрепляемый с помощью защелок на монтажной рейке 35 мм согласно EN 60715.
Цвет
cерый
Ширина
6, 2 мм
Электромагнитная совместимость
Соответствует Директиве по ЭМС
Похожие товары
Смотреть все →
EMG 90-DIO 32M
2954934
148 927 ₸
EMG 90-DIO 32P
2954918
140 493 ₸
EMG 90-DIO 17E
2954895
117 431 ₸
EMG 45-DIO 8M-1N5408
2954882
52 829 ₸
EMG 45-DIO 8P-1N5408
2954879
56 003 ₸
EMG 90-DIO 16E/LP
2954808
120 270 ₸
EMG 45-DIO 8E/LP
2954798
56 921 ₸
EMG 90-DIO 32M/LP
2954785
130 456 ₸