MINI MCR-2-U-UI-PT
Артикул:
2902021
248 741 ₸
Цена может уточняться у менеджера
в наличие
Срок доставки: 1 - 7 дней
Описание
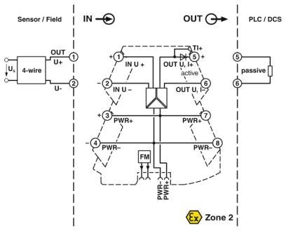
Разделительный усилитель с развязкой 3 цепей, с конфигурируемым входом и выходом, для гальванической развязки и преобразования аналоговых сигналов в минивольтовом и вольтовом диапазоне, однополюсные и двухполюсные. Зажимы Push-in, стандартная конфигурация.
Характеристики
China RoHS
Период времени для применения по назначению (EFUP): 50 лет
ECl@ss 4.0
27210100
ECl@ss 4.1
27210100
ECl@ss 5.0
27210100
ECl@ss 5.1
27210100
ECl@ss 6.0
27210100
ECl@ss 7.0
27210120
ECl@ss 8.0
27210120
ECl@ss 9.0
27210120
ETIM 4.0
EC002653
ETIM 5.0
EC002653
ETIM 6.0
EC002653
ETIM 7.0
EC002653
UNSPSC 11
39121004
UNSPSC 12.01
39121004
UNSPSC 13.2
39121008
UNSPSC 18.0
39121008
UNSPSC 19.0
39121008
UNSPSC 20.0
39121008
UNSPSC 21.0
39121008
UNSPSC 6.01
30211502
UNSPSC 7.0901
39121004
Входное сопротивление, вход напряжения
> 10 кΩ
Входной сигнал напряжения
-50 мВ ... 50 мВ (настраивается DIP-переключателем)
Высота
109, 81 мм
Выходной сигнал, напряжение
0 В ... 5 В (настраивается DIP-переключателем)
Выходной сигнал, ток
0 мА ... 20 мА (настраивается DIP-переключателем)
Гальваническая развязка
Усиленная изоляция согласно МЭК 61010-1
Глубина
119, 2 мм
Диапазон напряжения питания
9, 6 В DC ... 30 В DC (Для шунтирования питания может использоваться устанавливаемый на монтажную рейку шинный соединитель (ME 6, 2 TBUS-2 1, 5/5-ST-3, 81 GN, артикул № 2869728), закрепляемый с помощью защелок на монтажной рейке 35 мм согласно EN 60715)
Длина снятия изоляции
10 мм
Допустимая отн. влажность воздуха (при эксплуатации)
5 % ... 95 % (без выпадения конденсата)
Защитная схема
Защита от бросков тока при переходных процессах
Излучение помех
EN 61000-6-4
Испытательное напряжение, вход / выход / питание
3 кВ (50 Гц, 1 мин)
Категория перенапряжения
II
Количество входов
1
Количество выходов
1
Количество каналов
1
Конфигурируемый / программируемый
есть
Макс. входное напряжение
33 В
Макс. выходной ток
22 мА
Материал корпуса
PBT
Монтажное положение
на выбор
Нагрузка / выходная нагрузка, выход напряжения
≥ 10 кΩ
Нагрузка / выходная нагрузка, выход тока
≤ 600 Ω (при 20 мА)
Наименование
Электромагнитное высокочастотное поле
Номинальное напряжение питания
24 В DC
Ошибка передачи, макс.
≤ 0, 1 % (от предела)
Помехоустойчивость
EN 61000-6-2 В случае электромагнитных помех возможны незначительные отклонения.
Потребляемая мощность
≤ 800 мВт (при IOUT = 20 мА, 9, 6 В DC, 600 Ω нагрузка)
Потребляемый ток, типовой
25 мА (Выход сигнала тока, при 24 В DC, включ. нагрузку)
Предельная частота (3 дБ)
30 Гц (настраивается DIP-переключателем)
Противопожарная защита рельсовых ТС (DIN EN 45545-2) R22
HL 1 - HL 2
Противопожарная защита рельсовых ТС (DIN EN 45545-2) R23
HL 1 - HL 2
Противопожарная защита рельсовых ТС (DIN EN 45545-2) R24
HL 1 - HL 2
Пульсации
(ДА) (при 600 Ом)
Расчетное напряжение изоляции
300 В
Сечение гибкого провода
0, 14 мм² ... 2, 5 мм²
Сечение жесткого провода
0, 2 мм² ... 2, 5 мм² (с кабельным наконечником)
Сечение проводника AWG
24 ... 12 (гибкий)
Стандарты / нормативные документы
EN 61000-4-3
Степень загрязнения
2
Степень защиты
IP20 (не проверено согласно UL)
Температура окружающей среды (при эксплуатации)
-40 °C ... 70 °C
Температура окружающей среды (хранение/транспорт)
-40 °C ... 85 °C
Температурный коэффициент, максимальный
0, 01 %/K
Тип подключения
Зажимы Push-in
Указания по монтажу
Для подключения питания может использоваться Т-образный соединитель, закрепляемый с помощью защелок на монтажной рейке 35 мм согласно EN 60715.
Цвет
cерый
Ширина
6, 2 мм
Электромагнитная совместимость
Соответствует Директиве по ЭМС
Похожие товары
Смотреть все →
EMG 90-DIO 32M
2954934
148 927 ₸
EMG 90-DIO 32P
2954918
140 493 ₸
EMG 90-DIO 17E
2954895
117 431 ₸
EMG 45-DIO 8M-1N5408
2954882
52 829 ₸
EMG 45-DIO 8P-1N5408
2954879
56 003 ₸
EMG 90-DIO 16E/LP
2954808
120 270 ₸
EMG 45-DIO 8E/LP
2954798
56 921 ₸
EMG 90-DIO 32M/LP
2954785
130 456 ₸