MINI MCR-2-POT-UI
Артикул:
2902016
260 870 ₸
Цена может уточняться у менеджера
в наличие
Срок доставки: 1 - 7 дней
Описание
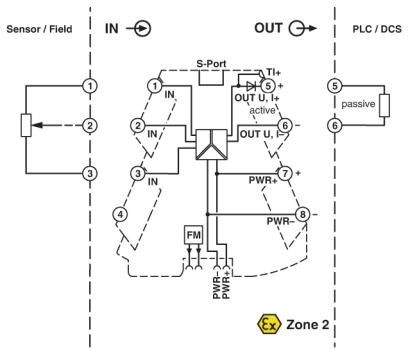
Настраиваемый измерительный преобразователь положения потенциометра со вставными соединениями для подключения потенциометров от 0 Ом ... 100 Ом до 0 кОм ... 100 кОм. Настраивается DIP-переключателями или с помощью ПО. Винтовые зажимы, стандартная конфигурация
Характеристики
ATEX
II 3 G Ex nA IIC T4 Gc X
China RoHS
Период времени для применения по назначению (EFUP): 50 лет
ECl@ss 4.0
27210100
ECl@ss 4.1
27210100
ECl@ss 5.0
27210100
ECl@ss 5.1
27210100
ECl@ss 6.0
27210100
ECl@ss 7.0
27210120
ECl@ss 8.0
27210120
ECl@ss 9.0
27210120
ETIM 4.0
EC002653
ETIM 5.0
EC002653
ETIM 6.0
EC002653
ETIM 7.0
EC002653
REACh SVHC
Lead 7439-92-1
UL, США / Канада
UL 508 Listed
UNSPSC 11
39121008
UNSPSC 12.01
39121008
UNSPSC 13.2
39121008
UNSPSC 18.0
39121008
UNSPSC 19.0
39121008
UNSPSC 20.0
39121008
UNSPSC 21.0
39121008
UNSPSC 6.01
30211506
UNSPSC 7.0901
39121008
Высота
109, 81 мм
Выходной сигнал, напряжение
1 В ... 5 В (настраивается DIP-переключателем)
Выходной сигнал напряжения, максимальный
около 12, 3 В
Выходной сигнал, ток
0 мА ... 20 мА (настраивается DIP-переключателем)
Выходной сигнал тока, максимальный
24, 6 мА
Гальваническая развязка
Усиленная изоляция согласно МЭК 61010-1
Глубина
119, 2 мм
Длина снятия изоляции
10 мм
Допустимая отн. влажность воздуха (при эксплуатации)
5 % ... 95 % (без выпадения конденсата)
Излучение помех
EN 61000-6-4
Материал корпуса
PBT
Момент затяжки
0, 5 Нм ... 0, 6 Нм
Нагрузка / выходная нагрузка, выход напряжения
≥ 10 кΩ
Нагрузка / выходная нагрузка, выход тока
≤ 600 Ω (при 20 мА)
Наименование
Электромагнитное высокочастотное поле
Ограничение износа
ЭМС: продукт класса А, см. декларацию производителя в разделе загрузок
Помехоустойчивость
EN 61000-6-2 В случае электромагнитных помех возможны незначительные отклонения.
Потенциометр
100 Ω ... 100 кΩ
Потребляемый ток
33 мА (24 В DC)
Резьба винтов
M3
Сечение гибкого провода
0, 14 мм² ... 2, 5 мм²
Сечение жесткого провода
0, 2 мм² ... 1, 5 мм² (с кабельным наконечником)
Сечение проводника AWG
24 ... 12 (гибкий)
Соответствие нормам
Соответствие CE
Стандарты / нормативные документы
EN 61000-4-3
Степень защиты
IP20 (не проверено согласно UL)
Температура окружающей среды (при эксплуатации)
-40 °C ... 70 °C
Температура окружающей среды (хранение/транспорт)
-40 °C ... 85 °C
Температурный коэффициент, максимальный
0, 01 %/K
Температурный коэффициент, стандартн.
0, 01 %/K
Типичное отклонение от конечного значения измерительного диапазона
0, 2 %
Тип подключения
Винтовые зажимы
Ширина
6, 2 мм
Электромагнитная совместимость
Соответствует Директиве по ЭМС
Электропитание
24 В DC
Похожие товары
Смотреть все →
EMG 90-DIO 32M
2954934
148 927 ₸
EMG 90-DIO 32P
2954918
140 493 ₸
EMG 90-DIO 17E
2954895
117 431 ₸
EMG 45-DIO 8M-1N5408
2954882
52 829 ₸
EMG 45-DIO 8P-1N5408
2954879
56 003 ₸
EMG 90-DIO 16E/LP
2954808
120 270 ₸
EMG 45-DIO 8E/LP
2954798
56 921 ₸
EMG 90-DIO 32M/LP
2954785
130 456 ₸