Перейти к содержимому
P Pnevmo.kz
Корзина

Зубчатая шестерня со ступицей, M=6, Z=30 PM34030 Sati

Артикул: 782223453
86 030 ₸
Цена может уточняться у менеджера
в наличие
Срок доставки: 1 - 7 дней

Описание

*

Характеристики

Артикул
782223453
Вес
11,4 кг
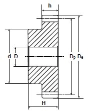
Внутренний диаметр
25 мм
Внутренний стандарт
IDO28456
Диаметр делительной окружности
180 мм
Количество зубьев
30
Марка материала корпуса
C 45 E-UNI EN 10083-1
Материал корпуса
Сталь
Модуль
6
Наименование
Зубчатая шестерня
Наружный диаметр зубчатого венца
192 мм
Наружный диаметр ступицы
110 мм
Производитель
Sati
Родина бренда
Италия
Серия товара
PM-S

Похожие товары

Смотреть все →