Перейти к содержимому
P Pnevmo.kz
Корзина

Зубчатая шестерня со ступицей, M=6, Z=12 PM34012 Sati

Артикул: 782223167
16 051 ₸
Цена может уточняться у менеджера
в наличие
Срок доставки: 1 - 7 дней

Описание

*

Характеристики

Артикул
782223167
Вес
1,7 кг
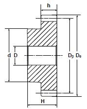
Внутренний диаметр
20 мм
Внутренний стандарт
IDO28456
Диаметр делительной окружности
72 мм
Количество зубьев
12
Марка материала корпуса
C 45 E-UNI EN 10083-1
Материал корпуса
Сталь
Модуль
6
Наименование
Зубчатая шестерня
Наружный диаметр зубчатого венца
84 мм
Наружный диаметр ступицы
54 мм
Производитель
Sati
Родина бренда
Италия
Серия товара
PM-S

Похожие товары

Смотреть все →