Перейти к содержимому
P Pnevmo.kz
Корзина

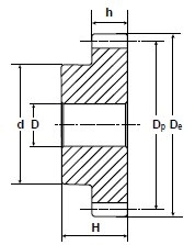
Зубчатая шестерня со ступицей, M=5, Z=80 PM32080 Sati

Артикул: 782223472
343 210 ₸
Цена может уточняться у менеджера
в наличие
Срок доставки: 1 - 7 дней

Описание

*

Характеристики

Артикул
782223472
Вес
51,3 кг
Внутренний стандарт
IDO28456
Количество зубьев
80
Марка материала корпуса
C 45 E-UNI EN 10083-1
Материал корпуса
Сталь
Модуль
5
Наименование
Зубчатая шестерня
Производитель
Sati
Родина бренда
Италия
Серия товара
PM-S

Похожие товары

Смотреть все →