Перейти к содержимому
P Pnevmo.kz
Корзина

Зубчатая шестерня со ступицей, M=5, Z=55 PM32055 Sati

Артикул: 782223493
142 331 ₸
Цена может уточняться у менеджера
в наличие
Срок доставки: 1 - 7 дней

Описание

*

Характеристики

Артикул
782223493
Вес
24,5 кг
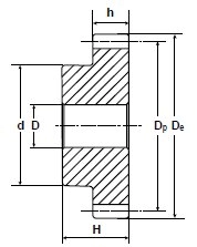
Внутренний диаметр
30 мм
Внутренний стандарт
IDO28456
Диаметр делительной окружности
275 мм
Количество зубьев
55
Марка материала корпуса
C 45 E-UNI EN 10083-1
Материал корпуса
Сталь
Модуль
5
Наименование
Зубчатая шестерня
Наружный диаметр зубчатого венца
285 мм
Наружный диаметр ступицы
120 мм
Производитель
Sati
Родина бренда
Италия
Серия товара
PM-S

Похожие товары

Смотреть все →