Перейти к содержимому
P Pnevmo.kz
Корзина

Зубчатая шестерня со ступицей, M=4, Z=32 PM31032 Sati

Артикул: 782223622
28 679 ₸
Цена может уточняться у менеджера
в наличие
Срок доставки: 1 - 7 дней

Описание

*

Характеристики

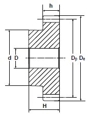
Артикул
782223622
Вес
4,62 кг
Внутренний диаметр
20 мм
Внутренний стандарт
IDO28456
Диаметр делительной окружности
128 мм
Количество зубьев
32
Марка материала корпуса
C 45 E-UNI EN 10083-1
Материал корпуса
Сталь
Модуль
4
Наименование
Зубчатая шестерня
Наружный диаметр зубчатого венца
136 мм
Наружный диаметр ступицы
80 мм
Производитель
Sati
Родина бренда
Италия
Серия товара
PM-S

Похожие товары

Смотреть все →