Перейти к содержимому
P Pnevmo.kz
Корзина

Зубчатая шестерня со ступицей, M=4, Z=19 PM31019 Sati

Артикул: 782223128
12 425 ₸
Цена может уточняться у менеджера
в наличие
Срок доставки: 1 - 7 дней

Описание

*

Характеристики

Артикул
782223128
Вес
1,625 кг
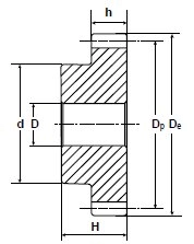
Внутренний диаметр
15 мм
Внутренний стандарт
IDO28456
Диаметр делительной окружности
76 мм
Количество зубьев
19
Марка материала корпуса
C 45 E-UNI EN 10083-1
Материал корпуса
Сталь
Модуль
4
Наименование
Зубчатая шестерня
Наружный диаметр зубчатого венца
84 мм
Наружный диаметр ступицы
60 мм
Производитель
Sati
Родина бренда
Италия
Серия товара
PM-S

Похожие товары

Смотреть все →