Перейти к содержимому
P Pnevmo.kz
Корзина

Зубчатая шестерня со ступицей, M=4, Z=13 PM31013 Sati

Артикул: 782223246
6 741 ₸
Цена может уточняться у менеджера
в наличие
Срок доставки: 1 - 7 дней

Описание

*

Характеристики

Артикул
782223246
Вес
0,76 кг
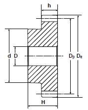
Внутренний диаметр
14 мм
Внутренний стандарт
IDO28456
Диаметр делительной окружности
52 мм
Количество зубьев
13
Марка материала корпуса
C 45 E-UNI EN 10083-1
Материал корпуса
Сталь
Модуль
4
Наименование
Зубчатая шестерня
Наружный диаметр зубчатого венца
60 мм
Наружный диаметр ступицы
40 мм
Производитель
Sati
Родина бренда
Италия
Серия товара
PM-S

Похожие товары

Смотреть все →