Перейти к содержимому
P Pnevmo.kz
Корзина

Зубчатая шестерня со ступицей, M=3, Z=50 PM30050 Sati

Артикул: 782223608
32 053 ₸
Цена может уточняться у менеджера
в наличие
Срок доставки: 1 - 7 дней

Описание

*

Характеристики

Артикул
782223608
Вес
5,2 кг
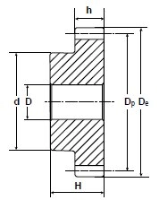
Внутренний диаметр
20 мм
Внутренний стандарт
IDO28456
Диаметр делительной окружности
150 мм
Количество зубьев
50
Марка материала корпуса
C 45 E-UNI EN 10083-1
Материал корпуса
Сталь
Модуль
3
Наименование
Зубчатая шестерня
Наружный диаметр зубчатого венца
156 мм
Наружный диаметр ступицы
100 мм
Производитель
Sati
Родина бренда
Италия
Серия товара
PM-S

Похожие товары

Смотреть все →