Перейти к содержимому
P Pnevmo.kz
Корзина

Зубчатая шестерня со ступицей, M=3, Z=34 PM30034 Sati

Артикул: 782223164
15 764 ₸
Цена может уточняться у менеджера
в наличие
Срок доставки: 1 - 7 дней

Описание

*

Характеристики

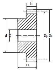
Артикул
782223164
Вес
2,42 кг
Внутренний диаметр
20 мм
Внутренний стандарт
IDO28456
Диаметр делительной окружности
102 мм
Количество зубьев
34
Марка материала корпуса
C 45 E-UNI EN 10083-1
Материал корпуса
Сталь
Модуль
3
Наименование
Зубчатая шестерня
Наружный диаметр зубчатого венца
108 мм
Наружный диаметр ступицы
70 мм
Производитель
Sati
Родина бренда
Италия
Серия товара
PM-S

Похожие товары

Смотреть все →