Перейти к содержимому
P Pnevmo.kz
Корзина

Зубчатая шестерня со ступицей, M=3, Z=22 PM30022 Sati

Артикул: 782223222
8 729 ₸
Цена может уточняться у менеджера
в наличие
Срок доставки: 1 - 7 дней

Описание

*

Характеристики

Артикул
782223222
Вес
1 кг
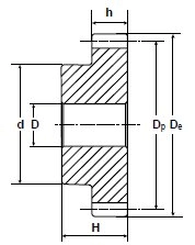
Внутренний диаметр
15 мм
Внутренний стандарт
IDO28456
Диаметр делительной окружности
66 мм
Количество зубьев
22
Марка материала корпуса
C 45 E-UNI EN 10083-1
Материал корпуса
Сталь
Модуль
3
Наименование
Зубчатая шестерня
Наружный диаметр зубчатого венца
72 мм
Наружный диаметр ступицы
50 мм
Производитель
Sati
Родина бренда
Италия
Серия товара
PM-S

Похожие товары

Смотреть все →