Перейти к содержимому
P Pnevmo.kz
Корзина

Зубчатая шестерня со ступицей, M=2,5, Z=62 PM29062 Sati

Артикул: 782223627
31 969 ₸
Цена может уточняться у менеджера
в наличие
Срок доставки: 1 - 7 дней

Описание

*

Характеристики

Артикул
782223627
Вес
4,5 кг
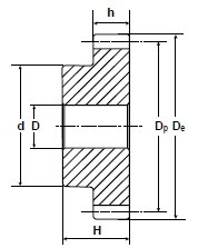
Внутренний диаметр
20 мм
Внутренний стандарт
IDO28456
Диаметр делительной окружности
155 мм
Количество зубьев
62
Марка материала корпуса
C 45 E-UNI EN 10083-1
Материал корпуса
Сталь
Модуль
2,5
Наименование
Зубчатая шестерня
Наружный диаметр зубчатого венца
160 мм
Наружный диаметр ступицы
100 мм
Производитель
Sati
Родина бренда
Италия
Серия товара
PM-S

Похожие товары

Смотреть все →