Перейти к содержимому
P Pnevmo.kz
Корзина

Зубчатая шестерня со ступицей, M=2,5, Z=32 PM29032 Sati

Артикул: 782223442
9 338 ₸
Цена может уточняться у менеджера
в наличие
Срок доставки: 1 - 7 дней

Описание

*

Характеристики

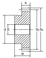
Артикул
782223442
Вес
0,97 кг
Внутренний диаметр
16 мм
Внутренний стандарт
IDO28456
Диаметр делительной окружности
80 мм
Количество зубьев
32
Марка материала корпуса
C 45 E-UNI EN 10083-1
Материал корпуса
Сталь
Модуль
2,5
Наименование
Зубчатая шестерня
Наружный диаметр зубчатого венца
85 мм
Наружный диаметр ступицы
55 мм
Производитель
Sati
Родина бренда
Италия
Серия товара
PM-S
Ширина зубчатого венца
25 мм
Ширина ступицы
40 мм

Похожие товары

Смотреть все →