Перейти к содержимому
P Pnevmo.kz
Корзина

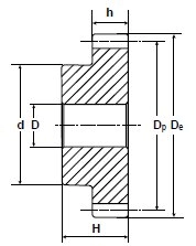
Зубчатая шестерня со ступицей, M=2,5, Z=25 PM29025 Sati

Артикул: 782223118
5 789 ₸
Цена может уточняться у менеджера
в наличие
Срок доставки: 1 - 7 дней

Описание

*

Характеристики

Артикул
782223118
Вес
0,75 кг
Внутренний диаметр
14 мм
Внутренний стандарт
IDO28456
Диаметр делительной окружности
62,5 мм
Количество зубьев
25
Марка материала корпуса
C 45 E-UNI EN 10083-1
Материал корпуса
Сталь
Модуль
2,5
Наименование
Зубчатая шестерня
Наружный диаметр зубчатого венца
67,5 мм
Наружный диаметр ступицы
50 мм
Производитель
Sati
Родина бренда
Италия
Серия товара
PM-S

Похожие товары

Смотреть все →