Перейти к содержимому
P Pnevmo.kz
Корзина

Зубчатая шестерня со ступицей, M=2,5, Z=12 PM29012 Sati

Артикул: 782223092
2 653 ₸
Цена может уточняться у менеджера
в наличие
Срок доставки: 1 - 7 дней

Описание

*

Характеристики

Артикул
782223092
Вес
0,15 кг
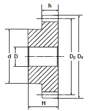
Внутренний диаметр
10 мм
Внутренний стандарт
IDO28456
Диаметр делительной окружности
30 мм
Количество зубьев
12
Марка материала корпуса
C 45 E-UNI EN 10083-1
Материал корпуса
Сталь
Модуль
2,5
Наименование
Зубчатая шестерня
Наружный диаметр зубчатого венца
35 мм
Наружный диаметр ступицы
22 мм
Производитель
Sati
Родина бренда
Италия
Серия товара
PM-S

Похожие товары

Смотреть все →