Перейти к содержимому
P Pnevmo.kz
Корзина

Зубчатая шестерня со ступицей, M=2, Z=49 PM28049 Sati

Артикул: 782223195
10 983 ₸
Цена может уточняться у менеджера
в наличие
Срок доставки: 1 - 7 дней

Описание

*

Характеристики

Артикул
782223195
Вес
1,56 кг
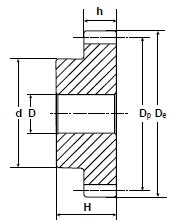
Внутренний диаметр
16 мм
Внутренний стандарт
IDO28456
Диаметр делительной окружности
98 мм
Количество зубьев
49
Марка материала корпуса
C 45 E-UNI EN 10083-1
Материал корпуса
Сталь
Модуль
2
Наименование
Зубчатая шестерня
Наружный диаметр зубчатого венца
102 мм
Наружный диаметр ступицы
70 мм
Производитель
Sati
Родина бренда
Италия
Серия товара
PM-S

Похожие товары

Смотреть все →