Перейти к содержимому
P Pnevmo.kz
Корзина

Зубчатая шестерня со ступицей, M=1,5, Z=60 PM27060 Sati

Артикул: 782223117
9 478 ₸
Цена может уточняться у менеджера
в наличие
Срок доставки: 1 - 7 дней

Описание

*

Характеристики

Артикул
782223117
Вес
1,12 кг
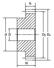
Внутренний диаметр
15 мм
Внутренний стандарт
IDO28456
Диаметр делительной окружности
90 мм
Количество зубьев
60
Марка материала корпуса
C 45 E-UNI EN 10083-1
Материал корпуса
Сталь
Модуль
1,5
Наименование
Зубчатая шестерня
Наружный диаметр зубчатого венца
93 мм
Наружный диаметр ступицы
60 мм
Производитель
Sati
Родина бренда
Италия
Серия товара
PM-S

Похожие товары

Смотреть все →