Перейти к содержимому
P Pnevmo.kz
Корзина

Зубчатая шестерня со ступицей, M=1,5, Z=32 PM27032 Sati

Артикул: 782223108
3 955 ₸
Цена может уточняться у менеджера
в наличие
Срок доставки: 1 - 7 дней

Описание

*

Характеристики

Артикул
782223108
Вес
0,3 кг
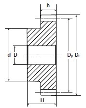
Внутренний диаметр
12 мм
Внутренний стандарт
IDO28456
Диаметр делительной окружности
48 мм
Количество зубьев
32
Марка материала корпуса
C 45 E-UNI EN 10083-1
Материал корпуса
Сталь
Модуль
1,5
Наименование
Зубчатая шестерня
Наружный диаметр зубчатого венца
51 мм
Наружный диаметр ступицы
35 мм
Производитель
Sati
Родина бренда
Италия
Серия товара
PM-S
Ширина зубчатого венца
17 мм
Ширина ступицы
30 мм

Похожие товары

Смотреть все →