Перейти к содержимому
P Pnevmo.kz
Корзина

Зубчатая шестерня со ступицей, M=1,5, Z=16 PM27016 Sati

Артикул: 782223335
1 841 ₸
Цена может уточняться у менеджера
в наличие
Срок доставки: 1 - 7 дней

Описание

*

Характеристики

Артикул
782223335
Вес
0,08 кг
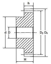
Внутренний диаметр
8 мм
Внутренний стандарт
IDO28456
Диаметр делительной окружности
24 мм
Количество зубьев
16
Марка материала корпуса
C 45 E-UNI EN 10083-1
Материал корпуса
Сталь
Модуль
1,5
Наименование
Зубчатая шестерня
Наружный диаметр зубчатого венца
27 мм
Наружный диаметр ступицы
20 мм
Производитель
Sati
Родина бренда
Италия
Серия товара
PM-S
Ширина зубчатого венца
17 мм
Ширина ступицы
30 мм

Похожие товары

Смотреть все →