Перейти к содержимому
P Pnevmo.kz
Корзина

Зубчатая шестерня со ступицей, M=1,5, Z=12 PM27012 Sati

Артикул: 782223082
1 421 ₸
Цена может уточняться у менеджера
в наличие
Срок доставки: 1 - 7 дней

Описание

*

Характеристики

Артикул
782223082
Вес
0,02 кг
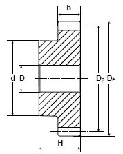
Внутренний диаметр
8 мм
Внутренний стандарт
IDO28456
Диаметр делительной окружности
18 мм
Количество зубьев
12
Марка материала корпуса
C 45 E-UNI EN 10083-1
Материал корпуса
Сталь
Модуль
1,5
Наименование
Зубчатая шестерня
Наружный диаметр зубчатого венца
21 мм
Наружный диаметр ступицы
14 мм
Производитель
Sati
Родина бренда
Италия
Серия товара
PM-S
Ширина зубчатого венца
17 мм
Ширина ступицы
30 мм

Похожие товары

Смотреть все →