Перейти к содержимому
P Pnevmo.kz
Корзина

Зубчатая шестерня со ступицей, M=1, Z=42 PM26042 Sati

Артикул: 782223314
3 262 ₸
Цена может уточняться у менеджера
в наличие
Срок доставки: 1 - 7 дней

Описание

*

Характеристики

Артикул
782223314
Вес
0,2 кг
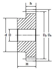
Внутренний диаметр
10 мм
Внутренний стандарт
IDO28456
Диаметр делительной окружности
42 мм
Количество зубьев
42
Марка материала корпуса
C 45 E-UNI EN 10083-1
Материал корпуса
Сталь
Модуль
1
Наименование
Зубчатая шестерня
Наружный диаметр зубчатого венца
44 мм
Наружный диаметр ступицы
30 мм
Производитель
Sati
Родина бренда
Италия
Серия товара
PM-S

Похожие товары

Смотреть все →