Перейти к содержимому
P Pnevmo.kz
Корзина

Зубчатая шестерня со ступицей, M=1, Z=25 PM26025 Sati

Артикул: 782223079
1 799 ₸
Цена может уточняться у менеджера
в наличие
Срок доставки: 1 - 7 дней

Описание

*

Характеристики

Артикул
782223079
Вес
0,065 кг
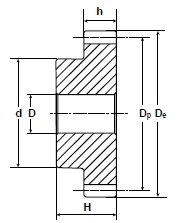
Внутренний диаметр
8 мм
Внутренний стандарт
IDO28456
Диаметр делительной окружности
25 мм
Количество зубьев
25
Марка материала корпуса
C 45 E-UNI EN 10083-1
Материал корпуса
Сталь
Модуль
1
Наименование
Зубчатая шестерня
Наружный диаметр зубчатого венца
27 мм
Наружный диаметр ступицы
20 мм
Производитель
Sati
Родина бренда
Италия
Серия товара
PM-S
Ширина зубчатого венца
15 мм
Ширина ступицы
25 мм

Похожие товары

Смотреть все →