Перейти к содержимому
P Pnevmo.kz
Корзина

Зубчатая шестерня со ступицей, M=1, Z=18 PM26018 Sati

Артикул: 782223371
1 421 ₸
Цена может уточняться у менеджера
в наличие
Срок доставки: 1 - 7 дней

Описание

*

Характеристики

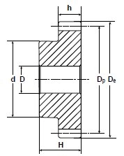
Артикул
782223371
Вес
0,1 кг
Внутренний диаметр
8 мм
Внутренний стандарт
IDO28456
Диаметр делительной окружности
18 мм
Количество зубьев
18
Марка материала корпуса
C 45 E-UNI EN 10083-1
Материал корпуса
Сталь
Модуль
1
Наименование
Зубчатая шестерня
Наружный диаметр зубчатого венца
20 мм
Наружный диаметр ступицы
15 мм
Производитель
Sati
Родина бренда
Италия
Серия товара
PM-S
Ширина зубчатого венца
15 мм
Ширина ступицы
25 мм

Похожие товары

Смотреть все →