Перейти к содержимому
P Pnevmo.kz
Корзина

Зубчатая шестерня со ступицей, M=1, Z=17 PM26017 Sati

Артикул: 782223373
1 407 ₸
Цена может уточняться у менеджера
в наличие
Срок доставки: 1 - 7 дней

Описание

*

Характеристики

Артикул
782223373
Вес
0,055 кг
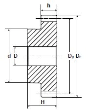
Внутренний диаметр
8 мм
Внутренний стандарт
IDO28456
Диаметр делительной окружности
17 мм
Количество зубьев
17
Марка материала корпуса
C 45 E-UNI EN 10083-1
Материал корпуса
Сталь
Модуль
1
Наименование
Зубчатая шестерня
Наружный диаметр зубчатого венца
19 мм
Наружный диаметр ступицы
14 мм
Производитель
Sati
Родина бренда
Италия
Серия товара
PM-S
Ширина зубчатого венца
15 мм
Ширина ступицы
25 мм

Похожие товары

Смотреть все →