Перейти к содержимому
P Pnevmo.kz
Корзина

Зубчатая шестерня со ступицей, M=1, Z=14 PM26014 Sati

Артикул: 782223078
1 099 ₸
Цена может уточняться у менеджера
в наличие
Срок доставки: 1 - 7 дней

Описание

*

Характеристики

Артикул
782223078
Вес
0,02 кг
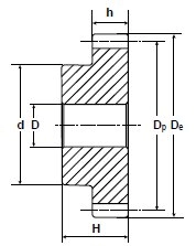
Внутренний диаметр
5 мм
Внутренний стандарт
IDO28456
Диаметр делительной окружности
14 мм
Количество зубьев
14
Марка материала корпуса
C 45 E-UNI EN 10083-1
Материал корпуса
Сталь
Модуль
1
Наименование
Зубчатая шестерня
Наружный диаметр зубчатого венца
16 мм
Наружный диаметр ступицы
10 мм
Производитель
Sati
Родина бренда
Италия
Серия товара
PM-S
Ширина зубчатого венца
15 мм
Ширина ступицы
25 мм

Похожие товары

Смотреть все →