Перейти к содержимому
P Pnevmo.kz
Корзина

Зубчатая шестерня со ступицей, M=1, Z=100 PM26100 Sati

Артикул: 782223216
9 016 ₸
Цена может уточняться у менеджера
в наличие
Срок доставки: 1 - 7 дней

Описание

*

Характеристики

Артикул
782223216
Вес
1 кг
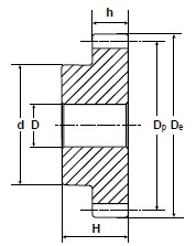
Внутренний диаметр
12 мм
Внутренний стандарт
IDO28456
Диаметр делительной окружности
100 мм
Количество зубьев
100
Марка материала корпуса
C 45 E-UNI EN 10083-1
Материал корпуса
Сталь
Модуль
1
Наименование
Зубчатая шестерня
Наружный диаметр зубчатого венца
102 мм
Наружный диаметр ступицы
60 мм
Производитель
Sati
Родина бренда
Италия
Серия товара
PM-S

Похожие товары

Смотреть все →