Перейти к содержимому
P Pnevmo.kz
Корзина

Блоки регуляторов Festo VABF-S3-1-R3C2-C-10

Артикул: 543531
85 755 ₸
Цена может уточняться у менеджера
в наличие
Срок доставки: 1 - 7 дней

Описание

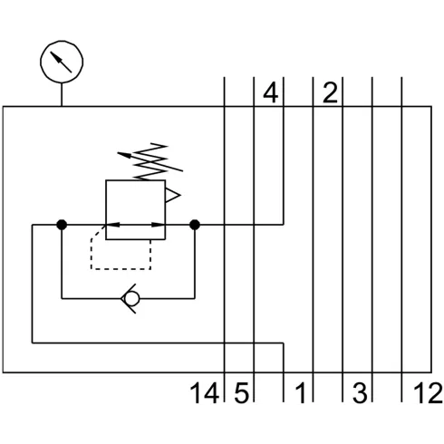
Для пневмоострова VDMA-01/02, стандартная стыковая поверхность по 15407-1, до 10 бар.

Характеристики

Артикул
543531
Вертикальный монтаж пневмоэлементов
Регулятор давления для канала 4
Вертикальный стыковой тип монтажа
На коллекторе; На индивидуальной плите
Вес
305 г
Внутренний стандарт
IDO28456
Выбор манометра
Возможно
Высота
98 мм
Группа
Функциональные компоненты
Диапазон регулировки давления
От 2 до 10 бар
Длина
192,9 мм
Класс защиты
IP65; NEMA 4
Максимальное рабочее давление
10 бар
Материал корпуса регулятора
Алюминиевое литье под давление
Материал панели управления
PA (Полиамид)
Монтажный шаг
26 мм
Наименование
Блоки регуляторов
Положение при сборке
Любое
Примечание по рабочей среде
Возможна работа со смазкой (впоследствии требуется постоянная смазка)
Присоединение манометра
С удерживающим зажимом
Производитель
Festo
Рабочая среда
Сжатый воздух в соответствии с ISO 8573-1:2010 [7:4:4]
Серия товара
VABF
Соответствует стандарту
ISO 15407-1
Сопротивление коррозии
0 - Нет стойкости к коррозии
Температура окружающей среды
От -5 °C до +50 °C
Тип оборудования
Принадлежности
Функция
Постоянная выходного давления; Со вторичным сбросом
Ширина
26 мм

Похожие товары

Смотреть все →