EMD-FL-PF-400
Артикул:
2885809
317 786 ₸
Цена может уточняться у менеджера
в наличие
Срок доставки: 1 - 7 дней
Описание
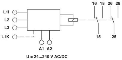
Реле контроля нагрузки (cos φ=0,1 ... 1) в 1- и 3-х фазных сетях, недостаточная нагрузка, перегрузка, функция Window, блок питания для хранения данных ошибок, блок питания с широкой поддержкой входных параметров, 2 преобр-ля
Характеристики
China RoHS
Период времени для применения по назначению: не ограничен = EFUP-e
ECl@ss 4.0
27371100
ECl@ss 4.1
27371100
ECl@ss 5.0
27371800
ECl@ss 5.1
27371800
ECl@ss 6.0
27371800
ECl@ss 7.0
27371806
ECl@ss 8.0
27371016
ECl@ss 9.0
27371016
ETIM 2.0
EC001438
ETIM 3.0
EC001438
ETIM 4.0
EC001438
ETIM 5.0
EC002057
ETIM 6.0
EC001443
ETIM 7.0
EC001443
UNSPSC 11
39121535
UNSPSC 12.01
39121535
UNSPSC 13.2
39121106
UNSPSC 18.0
39121106
UNSPSC 19.0
39121106
UNSPSC 20.0
39121106
UNSPSC 21.0
39121106
UNSPSC 6.01
30211916
UNSPSC 7.0901
39121535
Базовая точность
± 5 % (при сos φ = 0, 8)
Время возврата в состояние готовности
500 мс
Входное номинальное напряжение UN
3 N ~ 415/240 В
Высота
90 мм
Выходные предохранители
5 A (быстродействующий)
Глубина
113 мм
Диапазон входных напряжений
40 В AC ... 415 В AC (1(N) ~, 1-фазная нагрузка)
Диапазон входных токов
0, 5 A ... 10 A (Клеммы: L1i и L1k)
Диапазон напряжения питания
24 В AC ... 240 В AC -15 % ... +10 %
Диапазон настройки задержки пуска
1 c ... 100 c
Диапазон настройки задержки срабатывания
0, 1 c ... 40 c
Директива по низкому напряжению
Соответствие Директиве по низкому напряжению 2006/95/ЕС
Длина снятия изоляции
8 мм
Долговечность механическая
прибл. 2x 107 коммутационных циклов
Допустимая отн. влажность воздуха (при эксплуатации)
15 % ... 85 %
Излучение помех
EN 61000-6-4
Изоляция
Основная изоляция
Исполнение контакта
2 сухих переключающих контакта
Категория перенапряжения
III
Максимальное напряжение переключения
250 В AC (соответствует EN 60664-1)
Момент затяжки
1 Нм
Монтажное положение
на выбор
Мощность отключения (активная нагрузка), максимальная
750 ВА (3 A / 250 В AC, модули устанавливаются в ряд с промежутком ≤ 5 мм)
Нагрузочная способность по максимальному току
непрерывно 12 А
Ограничение износа
ЭМС: продукт класса А, см. декларацию производителя в разделе загрузок
Помехоустойчивость
EN 61000-6-2
Расчетное напряжение изоляции
300 В
Режим работы
100 % ED
Сечение гибкого провода
0, 25 мм² ... 2, 5 мм²
Сечение жесткого провода
0, 5 мм² ... 2, 5 мм²
Сечение проводника AWG
20 ... 14
Стабильность повторяемости
± 1, 8 %
Стандарты / нормативные документы
EN 50178
Степень загрязнения
2
Степень защиты
IP40 (Корпус)
Температура окружающей среды (при эксплуатации)
-25 °C ... 55 °C
Температура окружающей среды (хранение/транспорт)
-25 °C ... 70 °C
Температурный коэффициент, максимальный
≤ 0, 1 %/K
Тип изоляционного материала, корпус
Полиамид РА, самозатухающий
Тип подключения
Винтовые зажимы
Точность настройки
≤ 5 % (при сos φ = 0, 8)
Указания по монтажу
на стандартную рейку NS 35 по EN 60715
Функция
Пониженная нагрузка, повышенная нагрузка, функция окна
Цвет
зеленый
Ширина
22, 5 мм
Электромагнитная совместимость
Соответствует Директиве по ЭМС 2004/108/EG
Похожие товары
Смотреть все →
EMG 90-DIO 32M
2954934
148 927 ₸
EMG 90-DIO 32P
2954918
140 493 ₸
EMG 90-DIO 17E
2954895
117 431 ₸
EMG 45-DIO 8M-1N5408
2954882
52 829 ₸
EMG 45-DIO 8P-1N5408
2954879
56 003 ₸
EMG 90-DIO 16E/LP
2954808
120 270 ₸
EMG 45-DIO 8E/LP
2954798
56 921 ₸
EMG 90-DIO 32M/LP
2954785
130 456 ₸