ELR W1/ 6-24DC/RDT
Артикул:
2982757
217 786 ₸
Цена может уточняться у менеджера
в наличие
Срок доставки: 1 - 7 дней
Описание
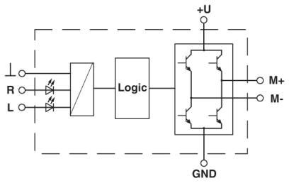
Электронное реле реверсирования нагрузки, для управления электродвигателями постоянного тока, со световым индикатором и защитной схемой, выход: 10-30 В DC/6 A, время переключ. 1 мс
Характеристики
China RoHS
Период времени для применения по назначению (EFUP): 50 лет
ECl@ss 4.0
27371100
ECl@ss 4.1
27371100
ECl@ss 5.0
27371600
ECl@ss 5.1
27371600
ECl@ss 6.0
27371000
ECl@ss 7.0
27371014
ECl@ss 8.0
27371014
ECl@ss 9.0
27371014
ETIM 4.0
EC002055
ETIM 5.0
EC002055
ETIM 6.0
EC002055
ETIM 7.0
EC002055
REACh SVHC
Lead 7439-92-1
UNSPSC 11
39121514
UNSPSC 12.01
39121514
UNSPSC 13.2
39121514
UNSPSC 18.0
39122333
UNSPSC 19.0
39122333
UNSPSC 20.0
39122333
UNSPSC 21.0
39122333
UNSPSC 6.01
30211915
UNSPSC 7.0901
39121514
Время включения, типовое
200 мкс
Время переключения RL/LL (время включения)
1 мс
Входное номинальное напряжение UN
24 В DC
Высота
99 мм
Глубина
114, 5 мм
Диапазон входных напряжений
19, 2 В DC ... 28, 8 В DC
Диапазон входных напряжений относительно UN
0, 8 ... 1, 2
Диапазон напряжения питания цепи управления
10 В DC ... 30 В DC
Диапазон напряжения срабатывания
19, 2 В DC ... 28, 8 В DC
Диапазон рабочих напряжений
10 В DC ... 30 В DC
Длина снятия изоляции
8 мм
Защитная схема
Защита от перенапр.
Изоляция
Основная изоляция
Индикатор состояния
Светодиод желтого цвета - правое вращение (R), светодиод желтого цвета - левое вращение (L)
Индикация рабочего напряжения
LED зел.
Испытательное напряжение, вход / выход
2, 5 кВeff
Категория перенапряжения
III
Момент затяжки
0, 5 Нм ... 0, 6 Нм
Монтажное положение
Вертикальное (горизонтальная монтажная рейка, отвод двигателя снизу)
Наименование
Воздушный путь и путь утечки между цепями
Наименование, вход
Питание устройства
Наименование, выход
Выход DC
Наименование защиты
Защита от переполюсовки
Наименование, подключение
Цепь управления
Номинальное напряжение питания
24 В DC ±20 %
Номинальное напряжение цепи управления UC
24 В DC
Номинальный ток питания цепи управления IS
7 мА
Номинальный ток цепи управления IC
3 мА
Ограничение верхнего предела напряжения
> 33 В DC
Ограничение износа
ЭМС: продукт класса А, см. декларацию производителя в разделе загрузок
Потребляемый ток
3 мА
Расчетное импульсное напряжение Ue
24 В DC
Расчетное напряжение питания цепи управления US
24 В DC
Режим работы
100 % ED
Резьба винтов
M3
Сертификат
NLDX.E228652
Сечение гибкого провода
0, 14 мм² ... 2, 5 мм²
Сечение жесткого провода
0, 14 мм² ... 2, 5 мм²
Сечение проводника AWG
26 ... 14
Стандарты / нормативные документы
EN 50178
Степень загрязнения
2
Степень защиты
IP20
Температура окружающей среды (при эксплуатации)
-20 °C ... 60 °C
Температура окружающей среды (хранение/транспорт)
-20 °C ... 80 °C
Типовой входной ток при UN
3 мА
Тип подключения
Винтовые зажимы
Указания по монтажу
установка в ряд, расстояние см. на графике изменения характеристик
Ширина
12, 5 мм
Похожие товары
Смотреть все →
EMG 90-DIO 32M
2954934
148 927 ₸
EMG 90-DIO 32P
2954918
140 493 ₸
EMG 90-DIO 17E
2954895
117 431 ₸
EMG 45-DIO 8M-1N5408
2954882
52 829 ₸
EMG 45-DIO 8P-1N5408
2954879
56 003 ₸
EMG 90-DIO 16E/LP
2954808
120 270 ₸
EMG 45-DIO 8E/LP
2954798
56 921 ₸
EMG 90-DIO 32M/LP
2954785
130 456 ₸