ELR H5-IES-SC- 24DC/500AC-0,6
Артикул:
2900582
188 481 ₸
Цена может уточняться у менеджера
в наличие
Срок доставки: 1 - 7 дней
Описание
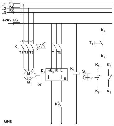
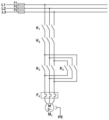
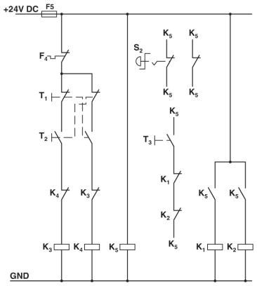
Гибридный пускатель для реверс. 3-фазн. двигателей до 500 В перем. тока, выходной ток 0,6 А, управляющее напряжение 24 В пост. тока, с настраиваемой схемой откл. при перегрузке, функцией аварийного останова до SIL 3/PL e и винтовым зажимом.
Характеристики
China RoHS
Период времени для применения по назначению (EFUP): 50 лет
ECl@ss 4.0
27021100
ECl@ss 4.1
27021100
ECl@ss 5.0
27024000
ECl@ss 5.1
27024000
ECl@ss 6.0
27024000
ECl@ss 7.0
27024002
ECl@ss 8.0
27024002
ECl@ss 9.0
27370905
ETIM 2.0
EC001037
ETIM 3.0
EC001037
ETIM 4.0
EC001037
ETIM 5.0
EC001037
ETIM 6.0
EC001037
ETIM 7.0
EC001037
FLA
0, 6 A (500 В AC)
REACh SVHC
Lead 7439-92-1
SCCR
100 кA (500 В AC (предохранитель 30 A класс CC / 30 A класс J (High-Fault)))
UNSPSC 11
39121514
UNSPSC 12.01
39121514
UNSPSC 13.2
25173902
UNSPSC 18.0
25173902
UNSPSC 19.0
25173902
UNSPSC 20.0
25173902
UNSPSC 21.0
25173902
UNSPSC 6.01
30211915
UNSPSC 7.0901
39121514
Вид пускателя
Реверсивный пускатель
Время охлаждения
20 мин. (для автоматического сброса)
Высота
107 мм
Глубина
114 мм
Групповая установка
20 A (class RK5, SCCR 5kA, #24 - 14 AWG max. solid and stranded)
Диапазон напряжения питания цепи управления
19, 2 В DC ... 30 В DC
Диапазон напряжения срабатывания
19, 2 В DC ... 30 В DC
Диапазон рабочих напряжений
42 В AC ... 550 В AC
Диапазон токовой нагрузки
75 мА ... 600 мА (см. Изменение хар-к)
Длина снятия изоляции
8 мм
Дополнительный текст
Безопасное отключение
Изоляция
Безопасное разделение (МЭК 60947-1/EN 50178) при рабочем напряжении ≤ 300 В AC
Индикатор состояния
LED желт.
Индикация ошибок
СИД красн.
Индикация рабочего напряжения
LED зел.
Исполнение контакта
1 переключающий контакт
Категория перенапряжения
III
Код категории
NLDX
Коммутационная способность согласно МЭК 60947-5-1
3 A (230 В, AC15)
Макс. рабочая высота
≤ 2000 м
Маркировка
II (2) G [Ex e] [Ex d] [Ex px]
Момент затяжки
0, 5 Нм ... 0, 6 Нм
Монтажное положение
Вертикальное (горизонтальная монтажная рейка, отвод двигателя снизу)
Наименование
Изоляционные характеристики между управляющим входным и питающим напряжением, цепью вспомогательного тока и силовой электрической цепью
Наименование, вход
Вход управляющего сигнала, справа / слева
Наименование, выход
Выход перемен. тока
Наименование защиты
Защита от перенапр.
Наименование, подключение
Цепь управления
Номинальное напряжение цепи управления UC
24 В DC
Номинальный ток питания цепи управления IS
40 мА
Номинальный ток цепи управления IC
5 мА (Тип входа 1)
Порог срабатывания
9, 6 В (Сигнал «0»)
Рассеиваемая мощность, макс.
1, 5 Вт
Рассеиваемая мощность, мин.
1, 1 Вт
Расчетное импульсное напряжение
6 кВ
Расчетное импульсное напряжение Ue
500 В AC
Расчетное напряжение изоляции
500 В
Расчетное напряжение питания цепи управления US
24 В DC
Расчетный рабочий ток Ie
0, 6 A (AC-51)
Режим работы
100 % ED
Резьба винтов
M3
Сертификат
PTB 07 ATEX 3145
Сечение гибкого провода
0, 2 мм² ... 2, 5 мм²
Сечение жесткого провода
0, 2 мм² ... 2, 5 мм²
Сечение проводника AWG
24 ... 14
Стандарты / нормативные документы
МЭК 60947-1
Степень загрязнения
2
Степень защиты
IP20
Температура окружающей среды (при эксплуатации)
-25 °C ... 70 °C (Cоблюдайте кривые)
Температура окружающей среды (хранение/транспорт)
-40 °C ... 80 °C
Тип монтажа
Установка на монтажной рейке
Тип подключения
Винтовые зажимы
Ток утечки
0 мА
Указание
Сигнал обратной связи: Сухой переключающий контакт, сигнальный контакт
Указания по монтажу
установка в ряд, расстояние см. на графике изменения характеристик
Характеристика срабатывания согласно МЭК 60947-4-2
Класс 10A
Частота коммутации
≤ 2 Гц (зависимый от нагрузки)
Частота сети
50/60 Гц
Ширина
22, 5 мм
Похожие товары
Смотреть все →
EMG 90-DIO 32M
2954934
148 927 ₸
EMG 90-DIO 32P
2954918
140 493 ₸
EMG 90-DIO 17E
2954895
117 431 ₸
EMG 45-DIO 8M-1N5408
2954882
52 829 ₸
EMG 45-DIO 8P-1N5408
2954879
56 003 ₸
EMG 90-DIO 16E/LP
2954808
120 270 ₸
EMG 45-DIO 8E/LP
2954798
56 921 ₸
EMG 90-DIO 32M/LP
2954785
130 456 ₸