Центробежный насос 75 квт Grundfos TP 300-390/4 A3-F-O-DAQF-VX3 99087229
Артикул:
99087229
Цена по запросу
Отправим КП в течение 1 часа
в наличие
Срок доставки: 1 - 7 дней
Описание
Насос имеет конструкцию извлечения сверху, т.е. головную часть (электродвигатель, голову насоса и рабочее колесо) можно демонтировать для обслуживания или ремонта в то время, как корпус насоса остается на трубопроводе. Уплотнения вала соответствуют EN 12756. Pipework connection is via PN 25 DIN flanges (EN 1092-2 and ISO 7005-2). Подсоединение к трубопроводу с помощью фланцев PN 25 DIN (EN 1092-2 и ISO 7005-2). Насос оснащен вентилятором охлаждения асинхронного двигателя. *
Характеристики
Артикул
99087229
Вес
987 кг
Вес с упаковкой
1060 кг
Вид насоса
Поверхностный
Внутренний стандарт
IDO28456
Давление номинальное
PN25
Диаметр обсадной колонны
DN300
Защита электродвигателя
PTC
Класс защиты
IP55
Класс изоляции
класс F (155 °C)
Класс энергоэффективности электродвигателя
IE3
Код присоединения
класс F (155 °C)
Код торцевого уплотнения вала
DAQF
Количество фаз питания
3 (+земля)
Коэффициент мощности
0,86
Марка материала корпуса
ASTM Grade 60-40-18
Марка материала рабочего колеса
ASTM class 30
Материал корпуса
Ковкое железо
Материал рабочего колеса
Чугун
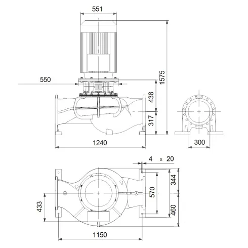
Монтажная длина
1240 мм
Наименование
Центробежный насос
Номер электродвигателя
83V15240
Номинальная мощность электродвигателя
75 кВт
Номинальное напряжение
380 В - 420 D В660 В - 725 Y В
Номинальный напор
28 м
Номинальный расход
811,4 м³/ч
Номинальный ток
130 - 140 / 74 - 80 А
Объем поставки
2,78 м³
Плотность
998,2 кг/м³
Подключение к среде
DIN
Производитель
Grundfos
Пусковой ток
690 %
Рабочая среда
Вода
Рабочая температура
+20 °C
Размер фланца электродвигателя
FF500
Родина бренда
Дания
Серия товара
TP
Стандарт допусков к рабочим характеристикам
ISO9906:2012 3B
Температура окружающей среды
От -20°C до +55°C
Тип изделия
Inline
Тип исполнения
A3
Тип электродвигателя
SIEMENS
Фактический диаметр рабочего колеса
351 мм
Частота
50 Гц
Частота вращения
1485 об/мин
Энергоэффективность
IE3 95,0%
Эффективность двигателя при 3/4 нагрузки
95.3-95.3 %
Эффективность электродвигателя при 1/2 нагрузки
95.0-95.0 %
Эффективность электродвигателя при полной нагрузке
95.0-95.0 %
NB, NBG, NK, NKG, TP, TPD, ATEX-approved pumps, Инструкции по технике безопасности и прочая важная информация
NB, NBG, TP, TPD, ATEX-approved pumps
TP (Series 400)
TP, TPD (Installation and operating instructions)
TP, TPD, TPE, TPED (RU/KZ/KG/AM version) (PIOI)
TP, TPD, TPE, TPED, TPE2, TPE2 D, TPE3, TPE3 D (Data booklet)
TP, TPD, TPE, TPED, TPE2, TPE2 D, TPE3, TPE3 D (КАТАЛОГ)
TP, TPD, TPE, TPED серии 300 (Сервисная инструкция)
TP, TPD, Инструкции по технике безопасности и прочая важная информация
TP, TPE, TPD, TPED (Recommended spare parts) (Service Kit Catalogue)
TP, TPE, TPD, TPED (Service Kit Catalogue)
TP серии 400 (Сервисная инструкция)
ТР серия 400, PN 25 (Data booklet)