Перейти к содержимому
P Pnevmo.kz
Корзина

Зубчатая шестерня под расточку со ступицей и калеными зубьями, М=5, Z=24 PM32T24 Sati

Артикул: 782223416
39 417 ₸
Цена может уточняться у менеджера
в наличие
Срок доставки: 1 - 7 дней

Описание

*

Характеристики

Артикул
782223416
Вес
5,44 кг
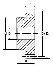
Внутренний диаметр
25 мм
Внутренний стандарт
IDO28456
Диаметр внутреннего отверстия
90 мм
Диаметр делительной окружности
120 мм
Количество зубьев
24
Марка материала корпуса
C 45 E-UNI EN 10083-1
Материал корпуса
Закаленная сталь
Модуль
5
Наименование
Зубчатая шестерня
Наружный диаметр зубчатого венца
130 мм
Производитель
Sati
Родина бренда
Италия
Серия товара
PMT-S
Ширина зубчатого венца
50 мм
Ширина ступицы
75 мм

Похожие товары

Смотреть все →