Перейти к содержимому
P Pnevmo.kz
Корзина

Зубчатая шестерня под расточку со ступицей и калеными зубьями, М=5, Z=20 PM32T20 Sati

Артикул: 782223415
29 001 ₸
Цена может уточняться у менеджера
в наличие
Срок доставки: 1 - 7 дней

Описание

*

Характеристики

Артикул
782223415
Вес
3,83 кг
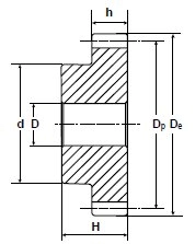
Внутренний диаметр
20 мм
Внутренний стандарт
IDO28456
Диаметр внутреннего отверстия
80 мм
Диаметр делительной окружности
100 мм
Количество зубьев
20
Марка материала корпуса
C 45 E-UNI EN 10083-1
Материал корпуса
Закаленная сталь
Модуль
5
Наименование
Зубчатая шестерня
Наружный диаметр зубчатого венца
110 мм
Производитель
Sati
Родина бренда
Италия
Серия товара
PMT-S
Ширина зубчатого венца
50 мм
Ширина ступицы
75 мм

Похожие товары

Смотреть все →