Перейти к содержимому
P Pnevmo.kz
Корзина

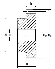
Зубчатая шестерня под расточку со ступицей и калеными зубьями, М=5, Z=12 PM32T12 Sati

Артикул: 782223412
12 047 ₸
Цена может уточняться у менеджера
в наличие
Срок доставки: 1 - 7 дней

Описание

*

Характеристики

Артикул
782223412
Вес
1,21 кг
Внутренний диаметр
16 мм
Внутренний стандарт
IDO28456
Диаметр внутреннего отверстия
45 мм
Диаметр делительной окружности
60 мм
Количество зубьев
12
Марка материала корпуса
C 45 E-UNI EN 10083-1
Материал корпуса
Закаленная сталь
Модуль
5
Наименование
Зубчатая шестерня
Наружный диаметр зубчатого венца
70 мм
Производитель
Sati
Родина бренда
Италия
Серия товара
PMT-S
Ширина зубчатого венца
50 мм
Ширина ступицы
75 мм

Похожие товары

Смотреть все →