Перейти к содержимому
P Pnevmo.kz
Корзина

Зубчатая шестерня под расточку со ступицей и калеными зубьями, М=3, Z=25 PM30T25 Sati

Артикул: 782223401
11 606 ₸
Цена может уточняться у менеджера
в наличие
Срок доставки: 1 - 7 дней

Описание

*

Характеристики

Артикул
782223401
Вес
1,39 кг
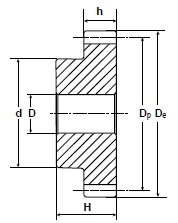
Внутренний диаметр
16 мм
Внутренний стандарт
IDO28456
Диаметр внутреннего отверстия
60 мм
Диаметр делительной окружности
75 мм
Количество зубьев
25
Марка материала корпуса
C 45 E-UNI EN 10083-1
Материал корпуса
Закаленная сталь
Модуль
3
Наименование
Зубчатая шестерня
Наружный диаметр зубчатого венца
81 мм
Производитель
Sati
Родина бренда
Италия
Серия товара
PMT-S
Ширина зубчатого венца
30 мм
Ширина ступицы
50 мм

Похожие товары

Смотреть все →