Перейти к содержимому
P Pnevmo.kz
Корзина

Зубчатая шестерня под расточку со ступицей и калеными зубьями, М=3, Z=15 PM30T15 Sati

Артикул: 782223397
5 460 ₸
Цена может уточняться у менеджера
в наличие
Срок доставки: 1 - 7 дней

Описание

*

Характеристики

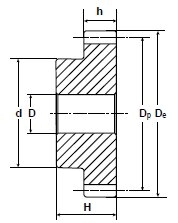
Артикул
782223397
Вес
0,47 кг
Внутренний диаметр
12 мм
Внутренний стандарт
IDO28456
Диаметр внутреннего отверстия
35 мм
Диаметр делительной окружности
45 мм
Количество зубьев
15
Марка материала корпуса
C 45 E-UNI EN 10083-1
Материал корпуса
Закаленная сталь
Модуль
3
Наименование
Зубчатая шестерня
Наружный диаметр зубчатого венца
51 мм
Производитель
Sati
Родина бренда
Италия
Серия товара
PMT-S
Ширина зубчатого венца
30 мм
Ширина ступицы
50 мм

Похожие товары

Смотреть все →