Перейти к содержимому
P Pnevmo.kz
Корзина

Зубчатая шестерня под расточку со ступицей и калеными зубьями, М=2, Z=25 PM28T25 Sati

Артикул: 782223379
4 907 ₸
Цена может уточняться у менеджера
в наличие
Срок доставки: 1 - 7 дней

Описание

*

Характеристики

Артикул
782223379
Вес
0,39 кг
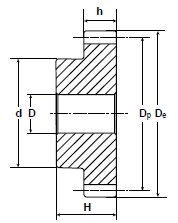
Внутренний диаметр
12 мм
Внутренний стандарт
IDO28456
Диаметр внутреннего отверстия
35 мм
Диаметр делительной окружности
50 мм
Количество зубьев
25
Марка материала корпуса
C 45 E-UNI EN 10083-1
Материал корпуса
Закаленная сталь
Модуль
2
Наименование
Зубчатая шестерня
Наружный диаметр зубчатого венца
54 мм
Производитель
Sati
Родина бренда
Италия
Серия товара
PMT-S
Ширина зубчатого венца
20 мм
Ширина ступицы
35 мм

Похожие товары

Смотреть все →