Перейти к содержимому
P Pnevmo.kz
Корзина

Коническая зубчатая пара, передат. число: 1:1, M=5, Z1=22, Z2=22 C32B221 Sati

Артикул: 782224365
102 963 ₸
Цена может уточняться у менеджера
в наличие
Срок доставки: 1 - 7 дней

Описание

*

Характеристики

Артикул
782224365
Вес
5 кг
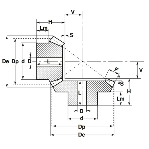
Внутренний диаметр
25 мм
Внутренний стандарт
IDO28456
Диаметр делительной окружности
110 мм
Зазор от ступицы до зубчатого венца
30 мм
Количество зубьев
22
Количество зубьев 2
22
Модуль
5
Наименование
Коническая зубчатая пара
Наружный диаметр зубчатого венца
117,1 мм
Наружный диаметр ступицы
80 мм
Производитель
Sati
Радиус окружности от зубьев до центра
35,8 мм
Родина бренда
Италия
Серия товара
ZP-S
Ширина зубьев
24 мм
Ширина шестерни
58,2 мм

Похожие товары

Смотреть все →