Перейти к содержимому
P Pnevmo.kz
Корзина

Коническая зубчатая пара, передат. число: 1:1, M=4,5, Z1=26, Z2=26 C45B261 Sati

Артикул: 782224364
102 011 ₸
Цена может уточняться у менеджера
в наличие
Срок доставки: 1 - 7 дней

Описание

*

Характеристики

Артикул
782224364
Вес
5 кг
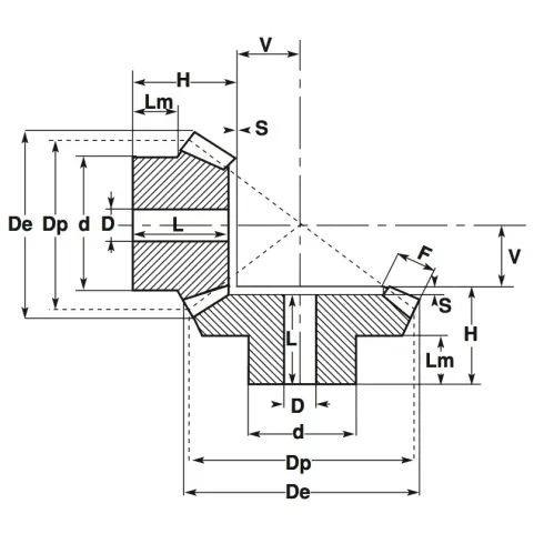
Внутренний диаметр
20 мм
Внутренний стандарт
IDO28456
Диаметр делительной окружности
117 мм
Зазор от ступицы до зубчатого венца
26 мм
Количество зубьев
26
Количество зубьев 2
26
Модуль
4,5
Наименование
Коническая зубчатая пара
Наружный диаметр зубчатого венца
123 мм
Наружный диаметр ступицы
75 мм
Производитель
Sati
Радиус окружности от зубьев до центра
38,6 мм
Родина бренда
Италия
Серия товара
ZP-S
Ширина зубьев
25 мм
Ширина шестерни
54,7 мм

Похожие товары

Смотреть все →