Перейти к содержимому
P Pnevmo.kz
Корзина

Коническая зубчатая пара, передат. число: 1:1, M=4, Z1=30, Z2=30 C31B301 Sati

Артикул: 782224361
107 576 ₸
Цена может уточняться у менеджера
в наличие
Срок доставки: 1 - 7 дней

Описание

*

Характеристики

Артикул
782224361
Вес
5,4 кг
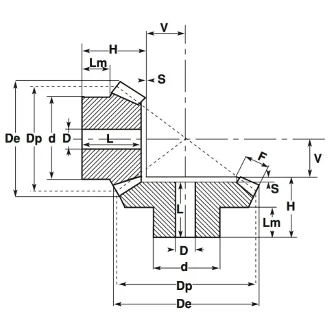
Внутренний диаметр
25 мм
Внутренний стандарт
IDO28456
Диаметр делительной окружности
120 мм
Зазор от ступицы до зубчатого венца
25 мм
Количество зубьев
30
Количество зубьев 2
30
Модуль
4
Наименование
Коническая зубчатая пара
Наружный диаметр зубчатого венца
125,7 мм
Наружный диаметр ступицы
80 мм
Производитель
Sati
Радиус окружности от зубьев до центра
39,8 мм
Родина бренда
Италия
Серия товара
ZP-S
Ширина зубьев
26 мм
Ширина шестерни
54,2 мм

Похожие товары

Смотреть все →