Перейти к содержимому
P Pnevmo.kz
Корзина

Коническая зубчатая пара, передат. число: 1:1, M=4, Z1=26, Z2=26 C31B261 Sati

Артикул: 782224380
81 480 ₸
Цена может уточняться у менеджера
в наличие
Срок доставки: 1 - 7 дней

Описание

*

Характеристики

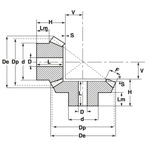
Артикул
782224380
Вес
3,7 кг
Внутренний диаметр
20 мм
Внутренний стандарт
IDO28456
Диаметр делительной окружности
104 мм
Зазор от ступицы до зубчатого венца
22 мм
Количество зубьев
26
Количество зубьев 2
26
Модуль
4
Наименование
Коническая зубчатая пара
Наружный диаметр зубчатого венца
109,7 мм
Наружный диаметр ступицы
70 мм
Производитель
Sati
Радиус окружности от зубьев до центра
34 мм
Родина бренда
Италия
Серия товара
ZP-S
Ширина зубьев
23 мм
Ширина шестерни
48 мм

Похожие товары

Смотреть все →