Перейти к содержимому
P Pnevmo.kz
Корзина

Коническая зубчатая пара, передат. число: 1:1, M=4, Z1=22, Z2=22 C31B221 Sati

Артикул: 782224393
62 545 ₸
Цена может уточняться у менеджера
в наличие
Срок доставки: 1 - 7 дней

Описание

*

Характеристики

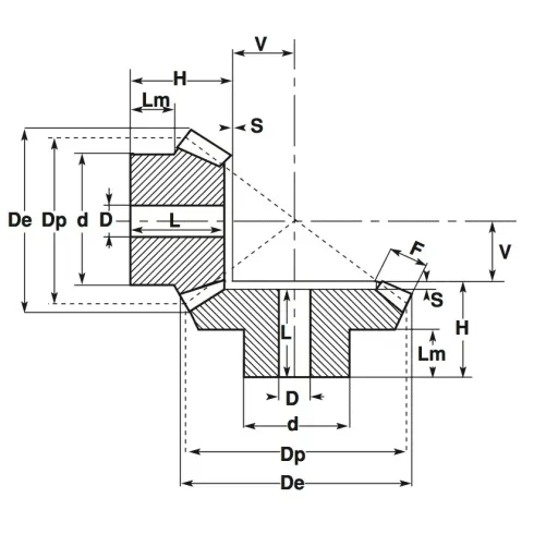
Артикул
782224393
Вес
2,4 кг
Внутренний диаметр
20 мм
Внутренний стандарт
IDO28456
Диаметр делительной окружности
88 мм
Зазор от ступицы до зубчатого венца
22 мм
Количество зубьев
22
Количество зубьев 2
22
Модуль
4
Наименование
Коническая зубчатая пара
Наружный диаметр зубчатого венца
93,7 мм
Наружный диаметр ступицы
60 мм
Производитель
Sati
Радиус окружности от зубьев до центра
28,1 мм
Родина бренда
Италия
Серия товара
ZP-S
Ширина зубьев
20 мм
Ширина шестерни
45,9 мм

Похожие товары

Смотреть все →