Перейти к содержимому
P Pnevmo.kz
Корзина

Коническая зубчатая пара, передат. число: 1:1, M=3, Z1=19, Z2=19 C30B191 Sati

Артикул: 782224441
29 715 ₸
Цена может уточняться у менеджера
в наличие
Срок доставки: 1 - 7 дней

Описание

*

Характеристики

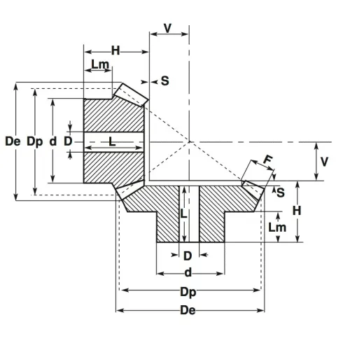
Артикул
782224441
Вес
0,8 кг
Внутренний диаметр
14 мм
Внутренний стандарт
IDO28456
Диаметр делительной окружности
57 мм
Зазор от ступицы до зубчатого венца
17 мм
Количество зубьев
19
Количество зубьев 2
19
Модуль
3
Наименование
Коническая зубчатая пара
Наружный диаметр зубчатого венца
61,2 мм
Наружный диаметр ступицы
40 мм
Производитель
Sati
Радиус окружности от зубьев до центра
18 мм
Родина бренда
Италия
Серия товара
ZP-S
Ширина зубьев
13 мм
Ширина шестерни
36 мм

Похожие товары

Смотреть все →